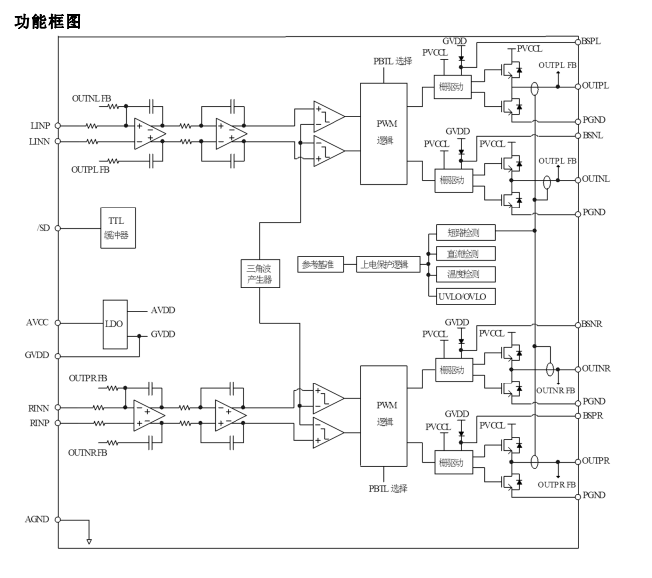
CS3817EO 是一款 15W(每声道)立体声高效 D 类音频功率放大电路。先进的 EMI 抑制技术使得在输出端口采用廉价的铁氧体磁珠滤波器就可以满足 EMC 要求。内部包 括一个直流检测电路来对扬声器进行保护,直流检测电路在输入电容损坏或者输入短路 时关断输出级。
CS3817EO 可以驱动低至 4Ω 负载的立体声扬声器,具有高达 90%的效率,使得在 播放音乐时不需要额外的散热器。
CS3817EO 应用于 LCD 电视、消费类音频设备。其特点如下:
● 15W/声道的功率输出(16V 电压,8Ω 负载,TND+N 等于 10%)
● 10W/声道的功率输出(13V 电压,8Ω 负载,TND+N 等于 10%)
● 30W 的功率输出(16V 电源,4Ω 单声道负载,TND+N 等于 10%)
● 效率高达 90%,无需散热片 ● 较大的电源电压范围 6.5V~20V
● 免滤波功能,输出不需要电感进行滤波。
● 输出管脚方便布线布局
● 良好短路保护和具备自动恢复功能的温度保护
● 良好的失真和防噗声功能
● 内置增益 26dB
● 差分输入
● 具有静音和待机功能
● 简单的外围设计
● 封装形式:HTSSOP28

Bright
深圳市哲瀚电子科技有限公司
Mobil:+86 13798202781
Tel:+86(0755)8323 7951
Fax:+86(0755)8254 9527
扫一扫,关注我们最新消息 工作时间:周一至周五 9:00-18:00
联系人:黄经理
手机:13714441972
邮件:bright@zhehandz.cn
地址:深圳市福田区中航路世纪汇广场都会轩1901